Page top

G9SX-GS

安全防护型开关单元

G9SX-GS

不会降低生产效率的危险操作安全措施

(单位:mm)

外形尺寸和端子配置

安全防护型开关单元
G9SX-GS226-T15-□

G9SX-GS 外形尺寸 2

注1. 以上外形图用于-RC端子类型。
2. 仅对-RC端子类型。

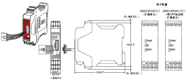
扩展单元
G9SX-EX401-□
扩展单元(OFF 延迟型)
G9SX-EX041-T-□

G9SX-GS 外形尺寸 4

注1. 以上外形图用于-RC端子类型。
2. 仅对-RC端子类型。