Page top

D40A / G9SX-NS

小型非接触式门开关/非接触式门开关控制器

D40A / G9SX-NS

采用了电子检测构造,非接触式门开关运转更稳定

(单位:mm)

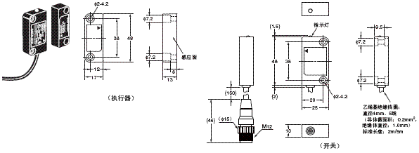
非接触式门开关(开关/执行器)

D40A-1C2
D40A-1C5
D40A-1C015-F

D40A / G9SX-NS 外形尺寸 1

非接触式门开关控制器
G9SX-NS202-□

D40A / G9SX-NS 外形尺寸 2

注1. 以上外形图用于带弹簧夹笼式端子 (-RC) 的型号。
2. 仅适用于带弹簧夹笼式端子 (-RC) 的型号。
* 典型尺寸

非接触式门开关控制器
G9SX-NSA222-T03-□

D40A / G9SX-NS 外形尺寸 3

注1. 以上外形图用于带弹簧夹笼式端子 (-RC) 的型号。
2. 仅适用于带弹簧夹笼式端子 (-RC) 的型号。
* 典型尺寸

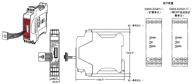
扩展单元
G9SX-EX401-□
扩展单元(OFF延迟型)
G9SX-EX041-T-□

D40A / G9SX-NS 外形尺寸 4

注1. 以上外形图用于带弹簧夹笼式端子 (-RC) 的型号。
2. 仅适用于带弹簧夹笼式端子 (-RC) 的型号。
* 典型尺寸

附件(另售)

电缆一端上的插座(5极连接器)
XS2F-D521-DG0-A (L=2m)
XS2F-D521-GG0-A (L=5m)
XS2F-D521-JG0-A (L=10m)
XS2F-D521-KG0-A (L=15m)
XS2F-D521-LG0-A (L=20m)

D40A / G9SX-NS 外形尺寸 6

电缆端的插座和插头(5极连接器)

XS2W-D521-DG1-A (L=2m)
XS2W-D521-GG1-A (L=5m)
XS2W-D521-JG1-A (L=10m)
XS2W-D521-KG1-A (L=15m)
XS2W-D521-LG1-A (L=20m)

D40A / G9SX-NS 外形尺寸 7