Page top

K7L-U□ / UD□□

长距离配线用漏液检测器

K7L-U□ / UD□□

实现配线距离总和达400m的长距离配线。可降低漏液造成的损害。

(单位:mm)

漏液位置检测器
K7L-U/-UD/-UDP

K7L-U□ / UD□□ 外形尺寸 1

漏液位置检测器
K7L-UB/-UDB/-UDPB

K7L-U□ / UD□□ 外形尺寸 2

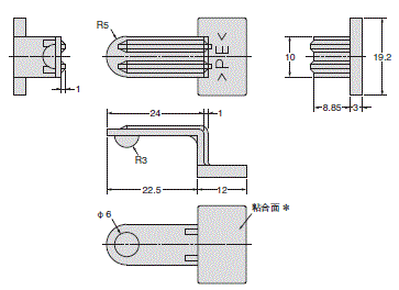
连接端子台*
F03-20

K7L-U□ / UD□□ 外形尺寸 3

终端电阻*
F03-20T

K7L-U□ / UD□□ 外形尺寸 4

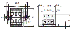
表面连接插座*
P2RF-08(可使用圆形端子)

K7L-U□ / UD□□ 外形尺寸 5

注: K7L的适用型号因插座的类型不同而异,敬请注意。若插座组合错误,K7L的铭板会上下颠倒。

表面连接插座*
P2RF-08-E

K7L-U□ / UD□□ 外形尺寸 6

注: K7L的适用型号因插座的类型不同而异,敬请注意。若插座组合错误,K7L的铭板会上下颠倒。

表面连接插座
P2RF-08-PU

K7L-U□ / UD□□ 外形尺寸 7

注: K7L的适用型号因插座的类型不同而异,敬请注意。
若插座组合错误, K7L的铭板会上下颠倒。

漏液点式传感器
F03-16PS
F03-16PS-F

K7L-U□ / UD□□ 外形尺寸 8

点式传感器用安装配件
F03-26PS

K7L-U□ / UD□□ 外形尺寸 9

*请用正确的紧固扭矩0.78~1.18N·m拧紧连接插座的M3固定螺钉。