Page top

EJ1

模块式温控器

EJ1

控制柜内安装型温控器, 灵活的模块化设计, 与上位机的整合性大大提高

EJ1系列(高功能单元)部分产品预定于2023年3月底订货截止。

(单位:mm)

温控器

基本单元 EJ1N-TC
EJ1N-TC

HFUs
EJ1N-HFU[]-NFL□

EJ1 外形尺寸 4 EJ1N-TC_Dim

HFUs
EJ1N-HFUB-DRT

EJ1 外形尺寸 6 EJ1N-HFUB-DRT_Dim

终端单元
EJ1C-EDU

EJ1 外形尺寸 8 EJ1C-EDU_Dim

选件装

电流互感器

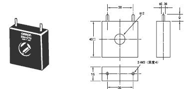
E54-CT1

EJ1 外形尺寸 12 E54-CT1_Dim

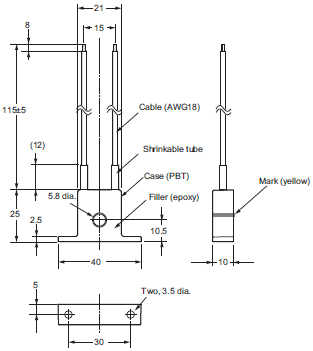
E54-CT3

EJ1 外形尺寸 14 E54-CT3_Dim

E54-CT3附件

探头

Armature

EJ1 外形尺寸 16 E54-CT3_Accy_Dim1

连接示例

EJ1 外形尺寸 17 E54-CT3_Accy_Fig

插头

EJ1 外形尺寸 18 E54-CT3_Accy_Dim2

轨道安装设备(另售)

DIN轨道
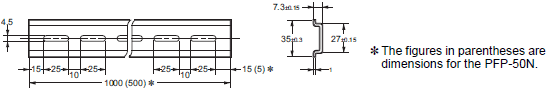
PFP-100N
PFP-50N

EJ1 外形尺寸 21 PFP-100N_Dim

* 括号中的数字为PFP-50N的尺寸。

终端板
PFP-M

EJ1 外形尺寸 24 PFP-M_Dim

注:EJ1C-EDU附带用于固定终端板的2个螺钉。必须将终端板固定在两侧。