Page top

ZJ-SD

智能静电传感器

ZJ-SD

实现“静电的可视化”。 智能静电传感器

ZJ-SD系列、ZJ-SF系列、ZJ-SW11、ZJ-XBU1预定于2026年3月底订货截止。

(单位:mm)

本体

传感器部
ZJ-SD100

ZJ-SD 外形尺寸 2

放大器部分
ZJ-SDA11

ZJ-SD 外形尺寸 3

附件(另售)

前置放大器安装支架
ZX-XBT1

ZJ-SD 外形尺寸 5

距离校正时传感头安装支架
ZJ-XBU1

ZJ-SD 外形尺寸 6

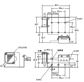
ZX-LD100 传感头尺寸

ZJ-SD 外形尺寸 7

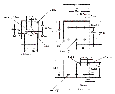
ZX-UD30L 传感头尺寸

ZJ-SD 外形尺寸 8