Page top

2023/03 生产终止

E4C-UDA

数字放大器分离式超声波传感器

E4C-UDA

小型圆柱型、设定简单的反射型 超声波传感器

该页面所登载的内容是基于生产终止以前的产品样本制作而成的参考信息,产品的特点/种类/规格/配件等可能与现在所使用的不同。请在使用时确认系统的兼容性及安全性。

(单位:mm)

传感器部分

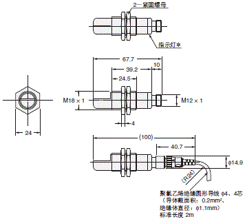
E4C-DS30
E4C-DS80

E4C-UDA 外形尺寸 3

* 检测范围内显示(黄色)、电源显示(绿色)

E4C-DS30L
E4C-DS80L

E4C-UDA 外形尺寸 6 E4C-DS30L_Dim

* 检测范围内显示(黄色)、电源显示(绿色)

E4C-DS100

E4C-UDA 外形尺寸 9 E4C-DS100_Dim

* 检测范围内显示(黄色)

传感器放大器连接导线(传感器部附件)

E4C-UDA 外形尺寸 12

放大器部分

E4C-UDA□□

E4C-UDA 外形尺寸 15 E4C-UDA11_Dim

E4C-UDA□□AN

E4C-UDA 外形尺寸 17 E4C-UDA11AN_Dim