Page top

G2R-□-S

微型功率继电器插入式端子型

G2R-□-S

1极10A、2极5A的通用功率继电器

(单位:mm)

本体

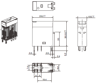
1极(1c接点)

G2R-1-S
G2R-1-SD
G2R-1-SN
G2R-1-SND

G2R-□-S 外形尺寸 2

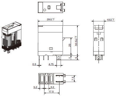
2极(2c接点)

G2R-2-S
G2R-2-SD
G2R-2-SN
G2R-2-SND

G2R-□-S 外形尺寸 3

1极带机械指示灯(1c接点)

G2R-1-SNIS)
G2R-1-SNDI(S)

G2R-□-S 外形尺寸 4

2极带机械指示灯(2c接点)

G2R-2-SNI(S)
G2R-2-SNDI(S)

G2R-□-S 外形尺寸 5

选装件(另售)

P2RF-05-PU

G2R-□-S 外形尺寸 7

P2RF-08-PU

G2R-□-S 外形尺寸 8

P2RFZ-05(1极)

G2R-□-S 外形尺寸 9

P2RFZ-08(2极)

G2R-□-S 外形尺寸 10

P2RFZ-05-E(1极)(指触保护结构)

G2R-□-S 外形尺寸 11

P2RFZ-08-E(2极)(指触保护结构)

G2R-□-S 外形尺寸 12

安装高度

G2R-□-S 外形尺寸 13

P2R-05P(1极)

G2R-□-S 外形尺寸 14

P2R-08P(2极)

G2R-□-S 外形尺寸 15

P2R-057P(1极)

G2R-□-S 外形尺寸 16

P2R-087P(2极)

G2R-□-S 外形尺寸 17


注. 使用I/O SSR、指示灯模块时,端子①为负极 。

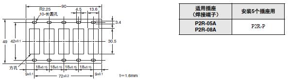
P2R-05A(1极)

G2R-□-S 外形尺寸 18

P2R-08A(2极)

G2R-□-S 外形尺寸 19


注. 使用I/O SSR、指示灯模块时,端子①为负极 。

安装高度

G2R-□-S 外形尺寸 20

导轨安装用另售件

支承导轨

PFP-100N
PFP-50N

G2R-□-S 外形尺寸 22

PFP-100N2

G2R-□-S 外形尺寸 23

端板

PFP-M

G2R-□-S 外形尺寸 24

隔片

PFP-S

G2R-□-S 外形尺寸 25

连接插座安装板

并列安装多个背面连接插座时使用。

G2R-□-S 外形尺寸 26