Page top

2017/03 生产终止

E5CN, E5CN-U

温控器(数字调节仪)基础型

E5CN, E5CN-U

48mm的通用温控器已升级&功能/性能提升。 指示精度提升、增加了预防维护功能, 性能进一步提升

该页面所登载的内容是基于生产终止以前的产品样本制作而成的参考信息,产品的特点/种类/规格/配件等可能与现在所使用的不同。请在使用时确认系统的兼容性及安全性。

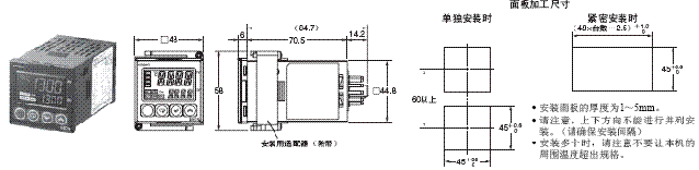
(单位:mm)

外形尺寸

本体

E5CN

E5CN, E5CN-U 外形尺寸 3

注:端子台无法拆装。

E5CN-U

E5CN, E5CN-U 外形尺寸 4

选装件(另售)

USB-串行转换电缆
E58-CIFQ1

E5CN, E5CN-U 外形尺寸 6

端子盖
E53-COV17

E5CN, E5CN-U 外形尺寸 7

注:以往产品的端子盖 E53- COV10不能使用。

防水垫
Y92S-29〔DIN48×48用〕

E5CN, E5CN-U 外形尺寸 8

防水垫遗失、损坏时,请按以下型号进行订购。
端子台型使用防水垫时,保护结构为IP66。(使用防水垫可以 达到IP66的防水效果,根据使用环境,防水垫会产生老化、收 缩、变硬等,建议定期更换。定期更换时期因使用环境而异。 请用户自行确认。大致以1年以下为更换标准。此外,对没有 进行定期更换的防水等级,本公司概不负责。)
不采用防水构造时,无需安装防水垫。

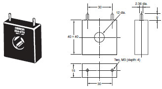
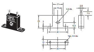
电流检测器

E54-CT1

E5CN, E5CN-U 外形尺寸 10

E54-CT3

E5CN, E5CN-U 外形尺寸 11

E54-CT3附件

E5CN, E5CN-U 外形尺寸 12

贯通电流(Io)对输出电压(Eo)特性(参考值)
E54-CT1

E5CN, E5CN-U 外形尺寸 13

连续最高峰值电流:50A (50/60Hz)
缠绕数:400±2圈
线圈电阻:18±2Ω

贯通电流(Io)对输出电压(Eo)特性(参考值)
E54-CT3

E5CN, E5CN-U 外形尺寸 14

连续最高峰值电流:120A (50/60Hz)
(但,开云(中国)的温控器连续最高峰值电流值为50A。)
缠绕数:400±2圈
线圈电阻:8±0.8Ω

适配器Y92F-45

注1.请在E5B□用面板已经加工的情况下使用。
2.适配器只有黑色。

E5CN, E5CN-U 外形尺寸 16

〈E5CN安装例子〉

E5CN, E5CN-U 外形尺寸 17

装有DIN导轨的适配器Y92F-52

注:不能与端子盖并用。
请将端子盖卸下后再使用。

E5CN, E5CN-U 外形尺寸 19

〈E5CN/E5CN-U安装例子〉

E5CN, E5CN-U 外形尺寸 20

E5CN-U接线用连接插座

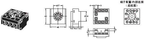
表面连接插座
P2CF-11

E5CN, E5CN-U 外形尺寸 22

注:还提供指触保护型(P2CF-11-E)。

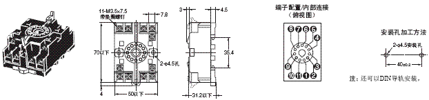
背面连接插座
P3GA-11

E5CN, E5CN-U 外形尺寸 23

注1.其它型号的插座会影响精度,请勿使用。
2.还提供指触保护用端子盖(Y92A-48G)。

各部分名称

E5CN
E5CN-U

E5CN和E5CN-U的前面板通用。

E5CN, E5CN-U 外形尺寸 25