Page top

ZS-HL

2D CMOS激光型

ZS-HL

超高性能传感器支持大范围准确测量的核心质量

ZS-HL系列部分产品预定于2021年1月底订货截止。

(单位:mm)

传感器控制器

ZS-HLDC□1/LDC□1

ZS-HL 外形尺寸 2

多通道控制器

ZS-MDC□1

ZS-HL 外形尺寸 3

数据存储单元

ZS-DSU□1

ZS-HL 外形尺寸 6

传感器头

ZS-HLDS2T

ZS-HL 外形尺寸 9 ZS-HLDS2T_Dim

ZS-HLDS5T/HLDS10

ZS-HL 外形尺寸 11 ZS-HLDS5T/HLDS10_Dim

注:ZS-HLDS5T型:L = 50,A = 30°
  ZS-HLDS10型:L = 100,A = 25°

ZS-HLDS60/HLDS150

ZS-HL 外形尺寸 13 ZS-HLDS60/HLDS150_Dim

注:ZS-HLDS60型:L = 600,A = 7°
   ZS-HLDS150型:L = 1500,A = 3°

ZS-LD10G

ZS-HL 外形尺寸 15

ZS-LD15G

ZS-HL 外形尺寸 17

ZS-LD50/LD50S/LD80/LD130/LD200/LD350S

ZS-HL 外形尺寸 18

注:ZS-LD50/50S􀵟􀋖L = 50􀋈A = 30°
  ZS-LD80􀵟􀋖L = 80􀋈A = 15°
  ZS-LD130􀵟􀋖L = 130􀋈A = 12°
  ZS-LD200􀵟􀋖L = 200􀋈A = 8°
  ZS-LD350S􀵟􀋖L = 350􀋈A = 5°

ZS-HLDS2V/LD20/LD20S/LD40

ZS-HL 外形尺寸 21 ZS-HLDS2VT_Dim

注:ZS-HLDS2VT型:L = 25,A = 34.5°
  ZS-LD20T/20ST型:L = 20,A = 45°
  ZS-LD40T型:L = 40,A = 32°

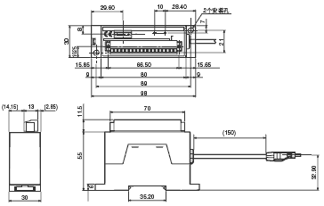
实时并行输出单元

ZG-RPD□1

ZS-HL 外形尺寸 24 ZS-RPD[]1_Dim

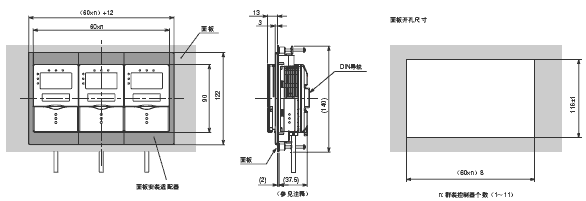
面板安装适配器

ZS-XPM1/XPM2 (面板安装尺寸)

ZS-HL 外形尺寸 27 ZS-XPM1/XPM2_Dim

注:面板厚度为0.2mm的尺寸图。

数字均衡器

ZS-XEQ

ZS-HL 外形尺寸 30 ZS-XEQ_Dim