Page top

E32-HB04, E3X-DAT□-S

通过计数传感器

E32-HB04, E3X-DAT□-S

稳定检测0402尺寸规格的芯片部件

(单位:mm)

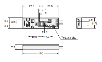
本体

传感头单元
E32-HB04

E32-HB04, E3X-DAT□-S 外形尺寸 2

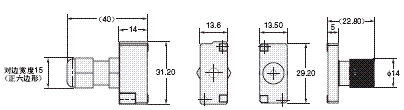
放大器单元
导线引出型
E3X-DAT11-S
E3X-DAT41-S

E32-HB04, E3X-DAT□-S 外形尺寸 3

管子附件
E39-K12

E32-HB04, E3X-DAT□-S 外形尺寸 4