Page top

E32系列

光纤单元

E32系列

特别适合在狭窄空间中使用或用于检测微小物体。

(单位:mm)

标准安装

螺旋型

对射型(2个/套)

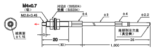
E32-T11N 2M (可任意切割)

E32系列 外形尺寸 4

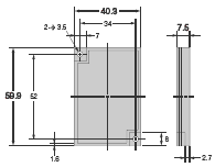
E32-T11R 2M (可任意切割)

E32系列 外形尺寸 5

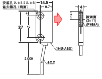
E32-LT11 2M (可任意切割)
E32-LT11R 2M (可任意切割)

E32系列 外形尺寸 6

反射型

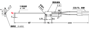
E32-C31N 2M (可任意切割)

E32系列 外形尺寸 8

注:在投光侧插入的光纤带有白线,
           M3螺母 (黄铜镀镍)
           垫圈 (黄铜镀镍) 附带 (各2个)

E32-C11N 2M (可任意切割)

E32系列 外形尺寸 9

注:在投光侧插入的光纤带有白线。

E32-D21R 2M (可任意切割)

E32系列 外形尺寸 10

E32-C31 2M (可任意切割)

注:在投光侧插入的光纤带有白线。

E32系列 外形尺寸 11

E32-C31M 1M (可任意切割)

E32系列 外形尺寸 12

在投光侧插入的光纤带有白线。
* 附带的光纤附件为专用品。
    不能安装另售的E39-F9

E32-D211R 2M (可任意切割)

E32系列 外形尺寸 13

E32-D11R 2M (可任意切割)

E32系列 外形尺寸 14

E32-CC200 2M (可任意切割)

E32系列 外形尺寸 15

注:在投光侧插入的光纤带有白线。

E32-LD11 2M (可任意切割)
E32-LD11R 2M (可任意切割)

E32系列 外形尺寸 16

圆柱型

对射型 (2个套)

E32-T223R 2M (可任意切割)

E32系列 外形尺寸 19

E32-T22B 2M(可任意切割)

E32系列 外形尺寸 20

E32-T12R 2M(可任意切割)

E32系列 外形尺寸 21

E32-T14LR 2M(可任意切割)

E32系列 外形尺寸 22

反射型

E32-D22B 2M (不可切割)

E32系列 外形尺寸 24

E32-D43M 1M (不可切割)

E32系列 外形尺寸 25

E32-D22R 2M (可任意切割)

E32系列 外形尺寸 26

E32-D221B 2M(可任意切割)

E32系列 外形尺寸 27

E32-D32L 2M(可任意切割)

E32系列 外形尺寸 28

E32-D33 2M(可任意切割)

E32系列 外形尺寸 29

节省空间

扁平型

对射型 (2个/套)

E32-T15XR 2M (可任意切割)

E32系列 外形尺寸 33

注1. 对称形状2件为1套
 2. 附带安装螺钉(不锈钢沉头螺钉M2×8 4个)

E32-T15YR 2M (可任意切割)

E32系列 外形尺寸 34

注1. 对称形状2件为1套
 2. 附带安装螺钉(不锈钢沉头螺钉M2×8 4个)

E32-T15ZR 2M (可任意切割)

E32系列 外形尺寸 35

注1. 对称形状2件为1套
 2. 附带安装螺钉(不锈钢沉头螺钉M2×8 4个)

反射型

E32-D15XR 2M (可任意切割)

E32系列 外形尺寸 37

注:附带安装螺钉(不锈钢沉头螺钉M2×8 2个)

E32-D15YR 2M (可任意切割)

E32系列 外形尺寸 38

注:附带安装螺钉(不锈钢沉头螺钉M2×8 2个)

E32-D15ZR 2M (可任意切割)

E32系列 外形尺寸 39

注:附带安装螺钉(不锈钢沉头螺钉M2×8 2个)

套管型(在物体附近检测)

对射型(2个/套)

E32-T24R 2M (可任意切割)

E32系列 外形尺寸 42

E32-T24E 2M (可任意切割)

E32系列 外形尺寸 43

E32-T33 1M (可任意切割)

E32系列 外形尺寸 44

E32-T21-S1 2M (可任意切割)

E32系列 外形尺寸 45

E32-TC200BR 2M (可任意切割)

E32系列 外形尺寸 46

反射型

E32-D24R 2M (可任意切割)

E32系列 外形尺寸 48

E32-D24-S2 2M(可任意切割)

E32系列 外形尺寸 49

E32-D43M 1M (不可切割)

E32系列 外形尺寸 50

* 已经粘接住了,所以无法拆开

E32-D331 2M (不可切割)

E32系列 外形尺寸 51

* 已经粘接住了,所以无法拆开

E32-D33 2M (可任意切割)

E32系列 外形尺寸 52

E32-D32-S1 0.5M (不可切割)

E32系列 外形尺寸 53

* 已经粘接住了,所以无法拆开

E32-D31-S1 0.5M (不可切割)

E32系列 外形尺寸 54

* 已经粘接住了,所以无法拆开

E32-DC200F4R 2M (可任意切割)

E32系列 外形尺寸 55

E32-D22-S1 2M ((可任意切割))

E32系列 外形尺寸 56

E32-D21-S3 2M (可任意切割))

E32系列 外形尺寸 57

E32-DC200BR 2M (可任意切割)

E32系列 外形尺寸 58

E32-D25-S3 2M (可任意切割)

E32系列 外形尺寸 59

光束强化

小光点反射(检测微小物体)

反射型

E32-C42 1M (不可切割) + E39-F3A

E32系列 外形尺寸 63

* 已经粘接住了,所以无法拆开。
注:在投光侧插入的光纤带有白色管子。

E39-F3A

E32系列 外形尺寸 64

材质:(简体部)铝(光学透镜部)光学玻璃
注:E32-C42用透镜单元。

E32-C42 1M (不可切割) + E39-F17

E32系列 外形尺寸 65

* 已经粘接住了,所以无法拆开。
注:在投光侧插入的光纤带有白色管子。

E39-F17

E32系列 外形尺寸 66

材质:(简体部)铝(光学透镜部)光学玻璃

E32-C31 2M (可任意切割) + E39-F3C

E32系列 外形尺寸 67

注:在投光侧插入的光纤带有白线。

E39-F3C

E32系列 外形尺寸 68

材质:(简体部)铝(光学透镜部)光学玻璃
注:E32-C42、E32-C31N用透镜单元。

E32-C31N 2M (可任意切割) + E39-F3C

E32系列 外形尺寸 69

注:在投光侧插入的光纤带有白线。

E32-C42S 1M (不可切割)

E32系列 外形尺寸 70

* 已经粘接住了,所以无法拆开。
注:在投光侧插入的光纤带有白色管子。

E32-L15 2M (可任意切割)

E32系列 外形尺寸 71

注:在投光侧插入的光纤带有白色管子。

E32-C41 1M (不可切割) + E39-F3A-5

E32系列 外形尺寸 72

* 已经粘接住了,所以无法拆开。
注:在投光侧插入的光纤带有白色管子。

E39-F3A-5

E32系列 外形尺寸 73

材质:(简体部)铝(光学透镜部)光学玻璃
注:E32-C41、E32-C31、E32-C31N用透镜单元。

E32-C31 2M (可任意切割) + E39-F3A-5

E32系列 外形尺寸 74

注:在投光侧插入的光纤带有白色管子。

E32-C31N 2M (可任意切割) + E39-F3A-5

E32系列 外形尺寸 75

注:在投光侧插入的光纤带有白线。

E32-C41 1M (不可切割) + E39-F3B

E32系列 外形尺寸 76

* 已经粘接住了,所以无法拆开。
注:在投光侧插入的光纤带有白色管子。

E39-F3B

E32系列 外形尺寸 77

材质:(简体部)铝(光学透镜部)光学玻璃
注:E32-C41、E32-C31、E32-C31N用透镜单元。

E32-C31 2M (可任意切割) + E39-F3B

E32系列 外形尺寸 78

注:在投光侧插入的光纤带有白线。

E32-C31N 2M (可任意切割) + E39-F3B

E32系列 外形尺寸 79

注:在投光侧插入的光纤带有白线。

E32-CC200 2M (可任意切割) + E39-F18

E32系列 外形尺寸 80

注:在投光侧插入的光纤带有白线。

E39-F18

E32系列 外形尺寸 81

材质:(简体部)

铝(光学透镜部)光学玻璃
注:E32-C11N、E32-CC200用透镜单元。

E32-C11N 2M (可任意切割) + E39-F18

E32系列 外形尺寸 82

注:在投光侧插入的光纤带有白线。

大功率 (远距离安装/耐尘)

光束强化

对射型(2个/套)

E32-T17L 10M(可任意切割)

E32系列 外形尺寸 86

E32-LT11 2M(可任意切割)E32-LT11R 2M(可任意切割)

E32系列 外形尺寸 87

E32-T14 2M(可任意切割)

E32系列 外形尺寸 88

反射型

E32-D16 2M(可任意切割)

E32系列 外形尺寸 90

透镜(~70°C)

透镜单元(2个/套)

E39-F1

E32系列 外形尺寸 93

材质:(简体部) 

黄铜 (透镜部) 光学玻璃
注:2个1组

E39-F16

E32系列 外形尺寸 94

材质:(简体部) SUS303

 (透镜部) 光学玻璃
注:2个1组

E39-F2

E32系列 外形尺寸 95

材质:(简体部) 黄铜

(透镜部) 光学玻璃
注:2个1组

对射型(2个/套)

E32-T11N 2M (可任意切割) + E39-F1

E32系列 外形尺寸 97

E32-T11R 2M (可任意切割) + E39-F1

E32系列 外形尺寸 98

E32-T11 2M (可任意切割) + E39-F1

E32系列 外形尺寸 99

E32-T11N 2M (可任意切割) + E39-F16

E32系列 外形尺寸 100

E32-T11R 2M (可任意切割) + E39-F16

E32系列 外形尺寸 101

E32-T11 2M (可任意切割) + E39-F16

E32系列 外形尺寸 102

E32-T11R 2M (可任意切割) + E39-F2

E32系列 外形尺寸 103

E32-T11 2M (可任意切割)+ E39-F2

E32系列 外形尺寸 104

透镜(-200℃)

透镜单元(2个/套)

E39-F1

E32系列 外形尺寸 107

材质:(简体部) 黄铜 

(透镜部) 光学玻璃
注:2个1组

E39-F16

E32系列 外形尺寸 108

材质:(简体部) SUS303 

(透镜部) 光学玻璃
注:2个1组

E39-F2

E32系列 外形尺寸 109

材质:(简体部) 黄铜 

(透镜部) 光学玻璃
注:2个1组

E39-F1-33

E32系列 外形尺寸 110

材质:(简体部) 黄铜

 (透镜部) 光学玻璃
注1.2个1组
2.E32-T51用透镜单元。

对射型(2个/套)

E32-T51R 2M (可任意切割) + E39-F1

E32系列 外形尺寸 112

E32-T81R-S 2M (不可切割) + E39-F1

E32系列 外形尺寸 113

E32-T61-S 2M(不可切割)+ E39-F1

E32系列 外形尺寸 114

E32-T51R 2M (可任意切割) + E39-F16

E32系列 外形尺寸 115

E32-T81R-S 2M (不可切割) + E39-F16

E32系列 外形尺寸 116

E32-T61-S 2M(不可切割)+ E39-F16

E32系列 外形尺寸 117

E32-T51R 2M(可任意切割)+ E39-F2

E32系列 外形尺寸 118

E32-T81R-S 2M (不可切割) + E39-F2

E32系列 外形尺寸 119

E32-T61-S 2M(不可切割)+ E39-F2

E32系列 外形尺寸 120

E32-T51 2M (可任意切割) + E39-F1-33

E32系列 外形尺寸 121

E32-T51 2M(可任意切割)+ E39-F16

E32系列 外形尺寸 122

窄视野 (跨间隙检测)

对射型(2个/套)

E32-A03 2M(可任意切割)

E32系列 外形尺寸 125

注:请把有刻印的面和相反侧作为安装面(基准面)使用。

E32-A03-1 2M(可任意切割)

E32系列 外形尺寸 126

注1.请把有刻印的面和相反侧作为安装面(基准面)使用。
2.对称形状2件为一套。

E32-A04 2M(可任意切割)

E32系列 外形尺寸 127

注:请把有刻印的面和相反侧作为安装面(基准面)使用。

E32-T24SR 2M (可任意切割)

E32系列 外形尺寸 128

E32-T24S 2M (可任意切割)

E32系列 外形尺寸 129

E32-T22S 2M (可任意切割)

E32系列 外形尺寸 130

无背景检测

限定反射型

E32-L16-N 2M(可任意切割)

E32系列 外形尺寸 133

E32-L24S 2M(可任意切割)

E32系列 外形尺寸 134

E32-L25L 2M (可任意切割)

E32系列 外形尺寸 135

透明物体检测

回归反射型

E32-C31 2M (可任意切割) + E39-F3R

E32系列 外形尺寸 138

注:在投光侧插入的光纤带有白线。

E39-F3R

E32系列 外形尺寸 139

材质:(简体部) 铝/黄铜

E39-RP37

E32系列 外形尺寸 140

材质:(安装板)不锈钢(SUS301)

(反射板)甲基丙烯酸酯树脂
注:反射板、安装板各1块为1套

E32-R16 2M (可任意切割)

E32系列 外形尺寸 141

E39-R1 (附带)

E32系列 外形尺寸 142

材质: (反射面)甲基丙烯酸酯树脂 

(背面)ABS

E32-R21 2M(可任意切割)

E32系列 外形尺寸 143

E39-R3 (附带)

E32系列 外形尺寸 144

材质: (反射面)甲基丙烯酸酯树脂

 (背面)ABS

限定放射型(玻璃检测用)

E32-L24S 2M(可任意切割)

E32系列 外形尺寸 146

E32-L16-N 2M (可任意切割)

E32系列 外形尺寸 147

E32-A08 2M(可任意切割)

E32系列 外形尺寸 148

E32-A12 2M(可任意切割)

E32系列 外形尺寸 149

E32-L25L 2M (可任意切割)

E32系列 外形尺寸 150

E32-A09 2M(可任意切割)

E32系列 外形尺寸 151

耐环境

耐化学品, 耐油

对射型(2个/套)

E32-T11NF 2M (可任意切割)

E32系列 外形尺寸 155

E32-T12F 2M (可任意切割)

E32系列 外形尺寸 156

E32-T11F 2M (可任意切割)

E32系列 外形尺寸 157

E32-T14F 2M (可任意切割)

E32系列 外形尺寸 158

E32-T51F 2M (可任意切割)

E32系列 外形尺寸 159

反射型

E32-L11FP 2M(可任意切割)

E32系列 外形尺寸 161

E32-L11FS 2M (可任意切割)

E32系列 外形尺寸 162

E32-D12F 2M (可任意切割)

E32系列 外形尺寸 163

E32-D11U 2M (可任意切割)

E32系列 外形尺寸 164

耐弯曲, 耐断线

对射型(2个/套)

E32-T22B 2M (可任意切割)

E32系列 外形尺寸 167

E32-T21 2M (可任意切割)

E32系列 外形尺寸 168

E32-T11 2M (可任意切割)

E32系列 外形尺寸 169

E32-T25XB 2M (可任意切割)

E32系列 外形尺寸 170

注1.对象形状2件为1套
2.附带安装螺钉(不锈钢 沉头螺钉M2×8 4个)

E39-F32C

E32系列 外形尺寸 171

注.滑鞍(铁 镀三价铬 4个)附属

反射型

E32-D22B 2M(不可切割)

E32系列 外形尺寸 173

E32-D21 2M (可任意切割)

E32系列 外形尺寸 174

E32-D221B 2M (可任意切割)

E32系列 外形尺寸 175

E32-D21B 2M (可任意切割)

E32系列 外形尺寸 176

E32-D11 2M (可任意切割)

E32系列 外形尺寸 177

E32-D25XB 2M (可任意切割)

E32系列 外形尺寸 178

注.附带安装螺钉(沉头螺钉M2*8 2个)

E39-F32A/E39-F32C/E39-F32D

E32系列 外形尺寸 179

注.滑鞍(铁 镀三价铬 2个(E39-F32C 1M为4个))附属

耐热

对射型(2个/套)

E32-T51R 2M (可任意切割)

E32系列 外形尺寸 182

E32-T51 2M(可任意切割)

E32系列 外形尺寸 183

E32-T81R-S 2M (不可切割)

E32系列 外形尺寸 184

注:耐热温度A部为200℃,B部为110℃。但本体插入部(带*星号部)请在放大器的使用温度范围内使用。

E32-T61-S 2M (不可切割)

E32系列 外形尺寸 185

注:耐热温度A部为350℃,B部为110℃。但本体插入部(带*星号部)请在放大器的使用温度范围内使用。

反射型

E32-D51R 2M(可任意切割)

E32系列 外形尺寸 187

E32-D51 2M(可任意切割)

E32系列 外形尺寸 188

E32-D81R-S 2M(不可切割)

E32系列 外形尺寸 189

注:耐热温度A部为200℃,B部为110℃。但本体插入部(*记号部)请在放大器的使用温度范围内使用。

E32-A08H2 2M(不可切割)

E32系列 外形尺寸 190

注:耐热温度A部为300℃,B部(本体插入部)为110℃。

E32-A09H2 2M(不可切割)

E32系列 外形尺寸 191

注:耐热温度A部为300℃,B部(本体插入部)为110℃。但本体插入部(*记号部)请在放大器的使用温度范围内使用。

E32-D611-S 2M(不可切割)

E32系列 外形尺寸 192

注:耐热温度A部为350℃,B部(本体插入部)为110℃。
但本体插入部(带*星号部)请在放大器的使用温度范围内使用。

E32-D61-S 2M(不可切割)

E32系列 外形尺寸 193

注:耐热温度A部为350℃,B部(本体插入部)为110℃。但本体插入部(*1记号部)请在放大器的使用温度范围内使用。
*2.光纤长度10m以上的为φ6。
*3.光纤长度10m以上的为φ10。

E32-D73-S 2M (不可切割)

E32系列 外形尺寸 194

注:耐热温度A部为400℃,B部为300℃、C部(本体插入部)为110℃。但本体插入部(*记号部)请在放大器的使用温度范围内使用。

专用程序

区域光束 (区域检测)

对射型(2个/套)

E32-T16PR 2M(可任意切割)

E32系列 外形尺寸 198

*密封狭缝板宽度 0.5mm/1mm(各2个)附带

E32-T16JR 2M (可任意切割)

E32系列 外形尺寸 199

E32-T16WR 2M(可任意切割)

E32系列 外形尺寸 200

反射型

E32-D36P1 2M(可任意切割)

E32系列 外形尺寸 202

液位检测

E32-A01 5M(可任意切割)

E32系列 外形尺寸 204

*请根据要使用的管径(1/8、1/4、3/8英寸),将支架固定到合适的位置。
注:附带扎带(尼龙)2根、反射防止板1张。

E32-L25T 2M (可任意切割)

E32系列 外形尺寸 205

注:附带扎带(尼龙)2根

E32-D36T 2M(可任意切割)

E32系列 外形尺寸 206

E32-D82F1 4M(可任意切割)

E32系列 外形尺寸 207

*放大器侧光纤2m部分是塑料光纤,可以任意切割。
注:耐热温度A部为200℃,B部为85℃。

耐真空

对射型(2个/套)

E32-T51V 1M(不可切割)

E32系列 外形尺寸 210

E32-T51V 1M (不可切割) + E39-F1V

E32系列 外形尺寸 211

E39-F1V

E32系列 外形尺寸 212

E32-T84SV 1M (不可切割)

E32系列 外形尺寸 213

E32-T10V 2M (可任意切割)

E32系列 外形尺寸 214

E32-VF4

E32系列 外形尺寸 215

注1.将O环V40安装在大气侧的真空槽壁面上。
2.安装孔加工尺寸:φ38 ± 0.5mm
3.紧固扭矩请采用9.8N m以下的。

E32-VF1

E32系列 外形尺寸 216

注1.将O环V15安装在大气侧的真空槽壁面上。
2.安装孔加工尺寸:φ14.5± 0.2mm
3.紧固扭矩,螺母:14.7N m以下、连接插接件:请用1.5N m以下的力转动。

FPD/半导体/太阳能电池行业

限定反射型

E32-L16-N 2M(可任意切割)

E32系列 外形尺寸 219

E32-A08 2M (可任意切割)

E32系列 外形尺寸 220

E32-A08H2 2M (不可切割)

E32系列 外形尺寸 221

注:耐热温度A部为300℃,B部(本体插入部)为110℃。

E32-A12 2M (可任意切割)

E32系列 外形尺寸 222

E32-A09 2M(可任意切割)

E32系列 外形尺寸 223

E32-A09H2 2M (不可切割)

E32系列 外形尺寸 224

注:耐热温度A部为300℃,B部(本体插入部)为110℃。但本体插入部(带*星号部)请在放大器的使用温度范围内使用。

E32-L11FP 2M(可任意切割)

E32系列 外形尺寸 225

E32-L11FS 2M (可任意切割)

E32系列 外形尺寸 226

对射型(2个/套)

E32-A03 2M (可任意切割)

E32系列 外形尺寸 228

注:请把有刻印的面和相反侧作为安装面(基准面)使用。

E32-A03-1 2M (可任意切割)

E32系列 外形尺寸 229

注1.请把有刻印的面和相反侧作为安装面(基准面)使用。
2.对称形状2件为一套。

E32-A04 2M (可任意切割)

E32系列 外形尺寸 230

注:请把有刻印的面和相反侧作为安装面(基准面)使用。

E32-T24SR 2M (可任意切割)

E32系列 外形尺寸 231

E32-T24S 2M (可任意切割)

E32系列 外形尺寸 232