Page top

K8AC-H

数字式加热器断线报警器

K8AC-H

数字式加热器断线报警器功能升级。 追求使用便捷性并扩大了应用范围。

(单位:mm)

本体

数字式加热器断线报警器
K8AC-H2□□□-FLK

K8AC-H 外形尺寸 2

选装件(另售)

变流器
K8AC-CT20S

K8AC-H 外形尺寸 4

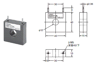
变流器
K8AC-CT20L

K8AC-H 外形尺寸 5

K8AC-CT20L附件

K8AC-H 外形尺寸 6

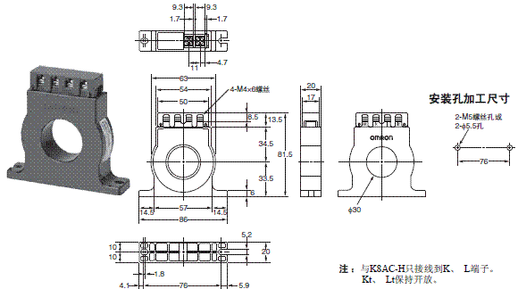
变流器
K8AC-CT200 (导线引出)

K8AC-H 外形尺寸 7

变流器
K8AC-CT200L

K8AC-H 外形尺寸 8