Page top

S8T-DCBU-02

瞬停对策模块

S8T-DCBU-02

预先防止因瞬停造成的装置停止或数据丢失等故障

(单位:mm)

本体

瞬停对策模块

S8T-DCBU-02

S8T-DCBU-02 外形尺寸 3

总线连接器

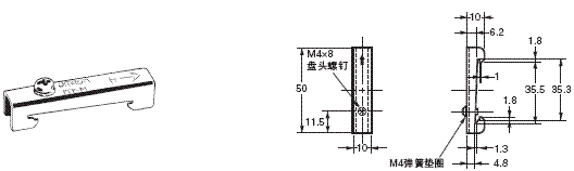
S8T-BUS03

S8T-DCBU-02 外形尺寸 5

导轨安装用另售件

支承导轨(铝制)

PFP-100N
PFP-50N

S8T-DCBU-02 外形尺寸 8

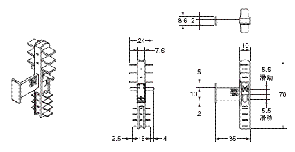
支承导轨(铝制)

PFP-100N2

S8T-DCBU-02 外形尺寸 10

固定支架(终端板)

PFP-M

S8T-DCBU-02 外形尺寸 12

各部分名称

瞬停对策模块

S8T-DCBU-02

S8T-DCBU-02 外形尺寸 15

①②READY (READY:B接点)
③④备份输出(BACKUP:B接点)
⑤READY指示灯(READY:绿色)
⑥备份指示灯(BACKUP:红色)
⑦NC
⑧滑片
⑨接地端子( 1466_sp_1_1
⑩输入输出端子(-V)
⑪输入输出端子(+V)
⑫导轨制动器
⑬总线连接器连接部
⑭端子盖

总线连接器

S8T-BUS03

S8T-DCBU-02 外形尺寸 18

①选择器
1466_sp_1_1(GR)总线连接器端子
③NC
④直流(+V)总线连接器端子
⑤直流(-V)总线连接器端子