Page top

2015/03 生产终止

E5GN

温控器(数字调节仪)基础型

E5GN

48×24mm的通用温控器已升级&功能/性能提升。 指示精度提升、增加了预防维护功能,性能进一步提升

该页面所登载的内容是基于生产终止以前的产品样本制作而成的参考信息,产品的特点/种类/规格/配件等可能与现在所使用的不同。请在使用时确认系统的兼容性及安全性。

(单位:mm)

本体

E5GN
端子台型

E5GN 外形尺寸 2 E5GN_Dim

安装面板的厚度为1~5mm。
请注意,上下方向不能进行并列安装。(请 确保安装间隔)
若需要防水,安装时请向本体插入防水垫。
安装多个时,请注意不要让本机的周围温度 超出规格。
并列安装时,在安装状态下,无法拧紧辅助 输出2的接线。
紧密安装时,无法插入E58-CIFQ1。

E5GN-□-C
无螺钉夹具端子台型

E5GN 外形尺寸 5 E5GN-[]-C_Dim

安装面板的厚度为1~5mm。
请注意,上下方向不能进行并列安装。(请确 保安装间隔)
安装多个时,请注意不要让本机的周围温度 超出规格。
紧密安装时,无法插入E58-CIFQ1。

选装件(另售)

USB-串行转换电缆
E58-CIFQ1

E5GN 外形尺寸 9 E58-CIFQ1_Dim

防水垫 Y92S-32
〔DIN48×24用〕


E5GN 外形尺寸 12 Y92S-32_Dim

防水垫遗失、损坏时,请按以下型号进行订购。
使用防水垫时,保护结构为IP66。(使用防水垫可以达到IP66的防水效果,根据使用环境,防水垫会产 生老化、收缩、变硬等,建议定期更换。定期更换时期因使用环境而异。请用户自行确认。大致以1年 以下为更换标准。此外,对没有进行定期更换的防水等级,本公司概不负责。)
不采用防水构造时,无需安装防水垫。

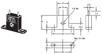
电流检测器
E54-CT1

E5GN 外形尺寸 15 E54-CT1_Dim1

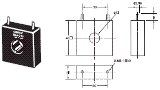
E54-CT3

E5GN 外形尺寸 16 E54-CT3_Dim1

E54-CT3附件

E5GN 外形尺寸 17 E54-CT3 Accessory_Dim

各部分名称

E5GN

E5GN 外形尺寸 19