Page top

D4NL

电磁锁定安全门开关

D4NL

多接点小型电磁锁定安全门开关 品种丰富

(单位:mm)

开关

D4NL-□□□□-B
D4NL-□□□□-B-SJ

D4NL 外形尺寸 3 D4NL-□□□□-B_Dim

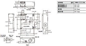
D4NL-□□□□-B4

D4NL 外形尺寸 5 D4NL-□□□□-B4_Dim

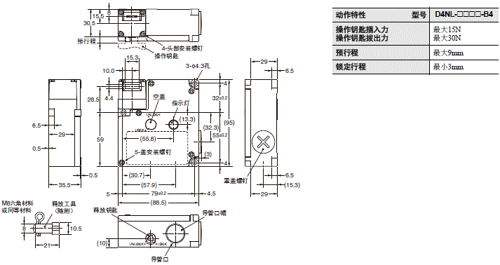
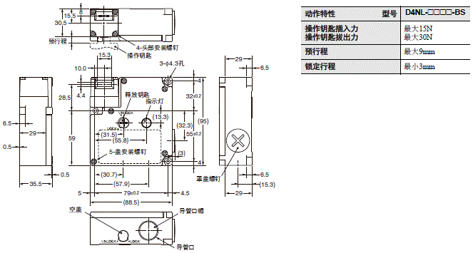
D4NL-□□□□-BS

D4NL 外形尺寸 7 D4NL-□□□□-BS_Dim

D4NL-□□□□-B4S

D4NL 外形尺寸 9 D4NL-□□□□-B4S_Dim

注1. 除非特别注明,否则所有尺寸均存在±0.4mm的规定公差。
 2. 多极开关(2NC、2NC/1NO或3NC)的接点ON/OFF动作同时性可能会有差异。请在应用前确认性能。

操作钥匙

D4DS-K1

D4NL 外形尺寸 12

D4DS-K2

D4NL 外形尺寸 13

D4DS-K3

D4NL 外形尺寸 14

D4DS-K5

D4NL 外形尺寸 15

注: 除非特别注明,否则所有尺寸均存在±0.4mm的规定公差。

操作钥匙插入时

D4NL + D4DS-K1
(前侧插入操作钥匙时)

D4NL 外形尺寸 18 D4NL + D4DS-K1_Dim1

D4NL + D4DS-K1
(顶部插入操作钥匙时)

D4NL 外形尺寸 19 D4NL + D4DS-K1_Dim2

D4NL + D4DS-K2
(前侧插入操作钥匙时)

D4NL 外形尺寸 20 D4NL + D4DS-K2_Dim1

D4NL + D4DS-K2
(顶部插入操作钥匙时)

D4NL 外形尺寸 21 D4NL + D4DS-K2_Dim2

D4NL + D4DS-K3
(前侧插入操作钥匙时)

D4NL 外形尺寸 22 D4NL + D4DS-K3_Dim1

D4NL + D4DS-K3
(顶部插入操作钥匙时)

D4NL 外形尺寸 23 D4NL + D4DS-K3_Dim2

D4NL + D4DS-K5
(前侧插入操作钥匙时)

D4NL 外形尺寸 24 D4NL + D4DS-K5_Dim1

D4NL + D4DS-K5
(顶部插入操作钥匙时)

D4NL 外形尺寸 25 D4NL + D4DS-K5_Dim2

*插入半径的值为操作钥匙旋转中心点位于头部正面或上面的延长线上时的值。