Page top

E6C3-A

绝对编码型 外径φ50 (牢固型)

E6C3-A

坚固型

(单位:mm)

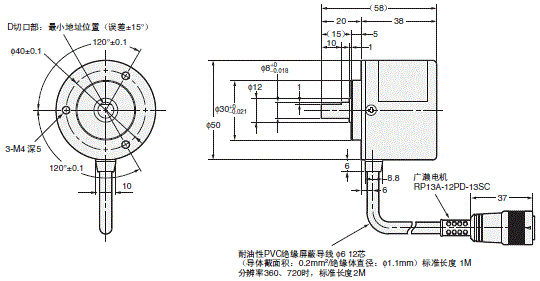
本体

E6C3-A□5□
E6C3-AN□E

E6C3-A 外形尺寸 2

注:耦合器E69-C08B另售。

E6C3-AG5C-C

E6C3-A 外形尺寸 3

注:耦合器E69-C08B另售。

附件(另售)

延长导线
E69-DF5

E6C3-A 外形尺寸 5

注1. 除了E69-DF5 (5m) 之外, 还备有导线长度10m、15m、20m、98m的。(10m、20m为标准库存品。)
 2. 连接凸轮定位器H8PS时, 最大可延长到100m。

耦合器
E69-C08B
E69-C68B

法兰盘
E69-FCA03
E69-FCA04

伺服安装支架
E69-2

详情请参见➜旋转编码器 附件。