Page top

D4F

小型安全限位开关

D4F

超小型安全限位开关

部分型号预定于2020年3月底订货截止。D4F-120-10R预定于2025年3月底订货截止。

(单位:mm)

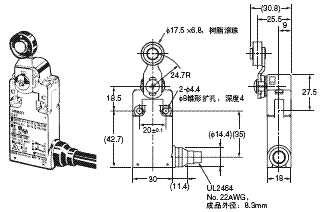
滚珠摆杆型(金属摆杆,树脂滚珠)
D4F-□20-□R

D4F 外形尺寸 1 D4F-□20-□R_Dim

滚珠柱塞型(金属滚珠)
D4F-□02-□R

D4F 外形尺寸 2 D4F-□02-□R_Dim

 

滚珠摆杆型(金属摆杆,树脂滚珠)
D4F-□20-□D

D4F 外形尺寸 4 D4F-□20-□D_Dim

滚珠柱塞型(金属滚珠)
D4F-□02-□D

D4F 外形尺寸 5 D4F-□02-□D_Dim

注:除非特别说明,所有外形尺寸的公差为0.4mm。

慢动型(1NC/1NO)、(2NC)、(2NC/2NO)、(4NC)

D4F 外形尺寸 8 慢动型(1NC/1NO)、(2NC)、(2NC/2NO)、(4NC)_Fig

注:2NC、2NC/2NO及4NC接点的开路/闭路动作的同时性会有参差。请检查接点的操作。
*1.OF值为断开NC接点(11-12、21-22、31-32、41-42)的最大负载。
*2.RF值为闭合NC接点(11-12、21-22、31-32、41-42)的最小负载。
*3.PT2和TT值为参考值。
*4.依据EN81和EN115,使用D4F时DOT最小为30°、2.8mm