Page top

2022/02 生产终止

E3C-LDA

数字放大器分离光电传感器(激光型)

E3C-LDA

可根据工件选择光点、线形、区域3种光束。

该页面所登载的内容是基于生产终止以前的产品样本制作而成的参考信息,产品的特点/种类/规格/配件等可能与现在所使用的不同。请在使用时确认系统的兼容性及安全性。

(单位:mm)

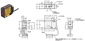
传感头

E3C-LD11

E3C-LDA 外形尺寸 2

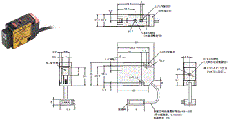
E3C-LD21
E3C-LD31

E3C-LDA 外形尺寸 3

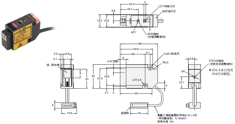
E3C-LR11/-LR12

E3C-LDA 外形尺寸 4

放大器单元

导线引出型

E3C-LDA11
E3C-LDA21
E3C-LDA41
E3C-LDA51
E3C-LDA11AT
E3C-LDA41AT
E3C-LDA11AN
E3C-LDA41AN

E3C-LDA 外形尺寸 7

省配线接插件型

E3C-LDA6
E3C-LDA7
E3C-LDA8
E3C-LDA9
E3C-LDA6AT
E3C-LDA8AT

E3C-LDA 外形尺寸 9

省配线接插件型

E3C-LDA6
E3C-LDA7
E3C-LDA8
E3C-LDA9
E3C-LDA6AT
E3C-LDA8AT

E3C-LDA 外形尺寸 11

传感器通信单元用接插件型

E3C-LDA0

E3C-LDA 外形尺寸 13

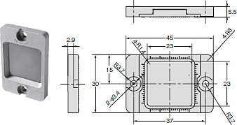
附件(另售)

反射板

E39-R12/-R14

E3C-LDA 外形尺寸 16

E39-R13

E3C-LDA 外形尺寸 17

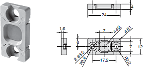
E39-RS4

E3C-LDA 外形尺寸 18

E39-RS5

E3C-LDA 外形尺寸 19

省配线接插件

详情请参见E3X-DA-S/MDA的Catalog

手持式控制台

详情请参见E3X-DA-S/MDA的Catalog