Page top

D5SN

接触型位移传感器

D5SN

5种传感器,满足多种测定环境

(单位:mm)

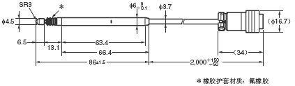
传感器(表示柱塞开路位置的尺寸。)

D5SN-S01

D5SN 外形尺寸 3

D5SN-S04

D5SN 外形尺寸 5

D5SN-M05

面板加工尺寸

D5SN 外形尺寸 8
D5SN 外形尺寸 9

D5SN-M10

D5SN 外形尺寸 11

放大器

D5SN-A01

D5SN 外形尺寸 14