Page top

GT1-AD / DA

模拟量I/O单元

GT1-AD / DA

兼容多I/O终端的模拟量输入/输出单元

(单位:mm)

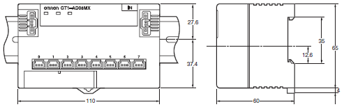
GT1-AD08MX
GT1-DA04MX
(Molex连接器型号)

GT1-AD / DA 外形尺寸 2 GT1-AD08MX_Dim

注: 包括附属电缆。

GT1-AD04
GT1-DA04
(端子块型号)

GT1-AD / DA 外形尺寸 5 GT1-AD04_Dim

注: 包括附属电缆。