Page top

GT1-ID / OD

数字I/O单元

GT1-ID / OD

兼容多I/O终端的数字I/O单元

(单位:mm)

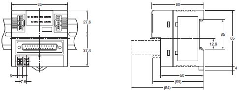
端子块型号
GT1-ID16
GT1-ID16-1
GT1-OD16
GT1-OD16-1

GT1-ID / OD 外形尺寸 2 GT1-ID16_Dim

注: 包括附属电缆。

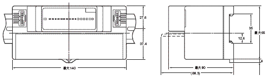
连接器型号
GT1-ID16MX
GT1-ID16MX-1
GT1-OD16MX
GT1-OD16MX-1

GT1-ID / OD 外形尺寸 5 GT1-ID16MX_Dim

注: 包括附属电缆。

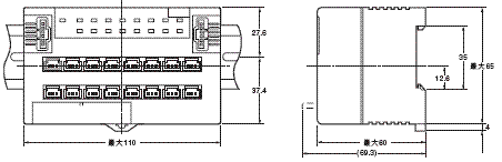
连接器型号
GT1-ID16ML
GT1-ID16ML-1
GT1-OD16ML
GT1-OD16ML-1

GT1-ID / OD 外形尺寸 8 GT1-ID16ML_Dim

注: 包括附属电缆。

连接器型号
GT1-ID16DS
GT1-ID16DS-1
GT1-OD16DS
GT1-OD16DS-1

GT1-ID / OD 外形尺寸 11 GT1-ID16DS_Dim

注: 包括附属电缆。

高密度连接器型号
GT1-ID32ML
GT1-ID32ML-1
GT1-OD32ML
GT1-OD32ML-1

GT1-ID / OD 外形尺寸 14 GT1-ID32ML_Dim

注: 包括附属电缆。