■限位开关的概念限位开关,指为保护内置微动开关免受外力、水、油、气体和尘埃等的损害,而组装在外壳内的开关,尤其适用于对机械强度和环境适应 性有特殊要求的地方。 ■内置微动开关驱动机构对于限位开关来说,微动开关的驱动机构是与密封性能和动作特性直接相关的重要部分。其构造分为三类,如下表所示。 (1)活塞型 (2)铰链摆杆型 (3)旋转摆杆型
■开关的构成材料开关的主要部分是由下列材料构成的
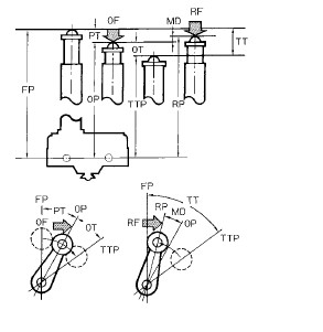
限位开关 用语说明■一般用语限位开关: 为保护小型开关不受外力、水、油、尘 埃等的侵害而将其装入金属外壳或者塑料 外壳中的开关。(以下称开关) 额定值一般指作为开关特性和性能的保证标准的 量, 如额定电流, 额定电压等, 以特定 的条件为前提。 有接点指利用接点的机械开合来实现开关的功能。 接触形式根据各种用途构成接点的电气输入输出电路的方式。 树脂固定(塑封端子)用导线对端子部分完好配线, 通过充填树 脂使该部分固定, 消除暴露在外的带电部 分, 提高密封性的一种方法。 ![]() ■与结构、构造相关的用语 ![]() ■关于寿命的用语 机械寿命 将过行程(OT)设为规格值,在未通电状态下的开关寿命。 电气寿命将过行程(OT) 设为规格值,在额定负载(阻性负载)下的开关寿命。 FP (自由位置)没有施加外力时驱动杆的位置。 OP (动作位置)向驱动杆施加外力,使可动接点刚从自由位置的状态开始反转时的位置。 TTP (总行程位置)驱动杆到达驱动杆停止档时的位置。 RP (返回位置)减少对驱动杆的外力,使可动接点刚从动 作位置反转到自由位置状态时驱动杆的位置。 OF (动作力)为了从自由位置移动到工作位置所必须给 驱动杆施加的力。 RF (回复力)为了从总行程位置移动到回复位置,必须 对驱动杆施加的力。 PT (预行程)驱动杆从自由位置到动作位置的移动距离 或移动角度。 OT (过行程)驱动杆从动作位置到总行程位置的移动距 离或移动角度。 MD (应差行程)驱动杆从动作位置到返回位置的移动距离 或移动角度。 TT (总行程)驱动杆从自由位置到总行程位置的移动距 离或移动角度。 对目录中使用的上述规格用语说明如下。 EN60947-5-1「电气机械控制电路设备」的EN规格。和IEC60947-5-1的内容相同。
使用范围开关按用途来分类。请参考下面的例子。
额定动作电流(le) 使开关动作的额定电流值 额定动作电流(le)使开关动作的额定电流值 额定动作电压(Ue)使开关动作的额定电压值。不能超过额定绝缘电压(Ui)。 额定绝缘电压(Ui)开关保持绝缘性的最大额定电压值。是耐压值和爬电距离的参数。 额定密闭热电流(I the)在开关带电部位为密封型的开关中, 持续通电时也不会超过规格规定的临界温升值的电流值。 材质为黄铜的端子部位的规格规定的临界温升值为65℃。 额定脉冲耐压(Uimp)开关在绝缘不被损坏的情况下可承受的脉冲电压的峰值。 有条件的短路电流开关在短路保护装置动作前可承受的电流值。 短路保护装置(SCPD)在短路时通过切断保护开关的装置。(断路器, 保险丝等) 污染度开关的使用环境 有以下4个等级, 限位开关属于污染度3。
防触电保护等级:防触电等级
限位开关 使用注意事项●关于开关的使用·实际使用开关时,可能会发生意想不到的问题。因此,应在可能实施的范围内进行测试。 关于动作力、行程、接触特性 ·图中所示为动作力→行程→接点接触力的关系。为保证高度的 可靠性,必须在合适的接触力范围内使用。 ![]() ·若驱动杆经常处于按下状态,会造成初期故障、复位不良,请定期维护及更换。 关于选择时的机械条件 ·必须根据操作方式来选择驱动杆。(参考764页) ·请确认操作速度和操作频率。 ●电气注意事项 关于选择时的电气条件 ·交流和直流的开关能力相差很大, 因此请在额定范围内使用。直流的场合、控制容量极低。 ●关于接点保护电路 为了延长接点寿命、防止噪声、及减少因电弧而产生的碳化物或 硝酸, 请使用接点保护电路。但是如果使用不正确, 可能会适得 其反。
请如下使用接点保护电路(浪涌吸收器)。 如果在开关微小负载电路时使用一般负载用开关, 可能会引起接 触不良。请参考右图在使用区域范围内使用开关。即使在右图的 使用区域范围内使用微小负载型, 如果是开关时引发浪涌电流的 负载, 接点消耗将加剧, 造成寿命缩短, 因此请根据需要插入接 点保护电路。最小适用负载作为N水准参考值。这表示在可靠度 为60%(λ60)下的故障率水平。(JIS C5003) λ60=0.5 ×10-6/ 次表示可靠度为60% 的条件下可推定故障率为1/2,000,000以下。
●关于连接 ·请不要在1个开关的接点上连接异极、异种的电源。 ·在电路设计时请不要在接点间加电压。(可能导致混触熔化) ·即使在发生异常情况时, 也不要出现短路的电路。(可能导致导电部位的熔断) ·开关用于电子电路(低电压· 低电流) 1. 接点的振动、震颤会带来问题时,请采取下面的措施。 ●关于使用环境 ·请不要在有引火性气体、爆炸性气体等环境中单独使用开关。 ·限位开关也会由于在室外或特殊的切削油的关系导致开关材质变质及劣化, ·请不要在有热水(+60℃以上) 的地方和水蒸气中使用。 ·操作人员不小心将开关安装在易发生误动作或事故的地方时,请加装外罩。 ·开关受到连续的振动和冲击时,产生的磨损粉末可能导致接点接触不良和动作失常、耐久性下降等问题。 ●关于定期检查和定期更换 ·在一直按下的状态下, 如果开关频率较低(1次以下/日), 则可能会由于零件的劣化导致复位不良。 ●关于开关的保管 ·请避免在恶性气体(H2S、SO2、NHO3、Cl2等) 和有尘埃、高温多湿的环境中存放开关。 ●关于耐气候、耐寒、耐热规格 为了提高耐气候、耐寒、耐热性能, 使用了硅橡胶, 硅橡胶部分情况下可能产生硅气体(常温下可能发生, 高温下产生量会进一步增加) 。 这种气体通过电弧能量反应, 会生成二氧化硅(SiO2) 。二氧化硅(SiO2) 不断堆积在接点上, 会发生接触障碍, 可能影响设备的正常运行。 ●关于室外使用 ·在有泥水、粉尘的地方, 请使用机械部位密封的橡皮帽限位开关。 ●关于操作 ·为避免开关的驱动杆急速返回或受到冲击, 请考虑操作体(凸轮、挡块等) 进行操作。 ·在旋转运动、直线运动时也必须在开关的驱动杆上施加正常的载荷。 如下图所示, 挡块触到摆杆时, 动作位置将无法稳定。 ·请不要在开关的驱动杆上施加偏载荷, 或者引起局部磨擦。 ·如果从斜面向开关的驱动杆(滚珠) 上施加载荷, 可能会造成驱动杆和旋转轴的变形、折损, ·请设置驱动杆不超过过行程(OT)。过行程(OT)超过限制的话,可能引起故障。 ·过行程过大时, 可能会诱发早期的故障。因此在安装时必须进行调整, ·在针状按钮型中, 按钮的行程和操作体的行程必须在一条垂直线上。 ·请配合驱动杆的特性使用开关。 ·请不要对驱动杆进行加工而导致动作位置的变化。 ●挡块的设计 关于挡块的速度及角度与驱动杆的关系 <滚珠摆杆型驱动杆> (1)挡块不会越过驱动杆的情况下
注. y是相对于全行程(TT)的比率,表示挡块的按下量应达到TT的50~80%(50~70%)。
(2)挡块超过驱动杆的情况
注. y为相对于全行程(TT)的比例,表示挡块正确的按下量应为TT的50~80%(50~70%)。 ●柱塞型驱动杆 在挡块越过驱动杆的情况下, 前进方向和后退方向的形状可以相同,但必须避免驱动杆和挡块快速分离的形状。
|
||||||||||||||||||||||||||||||||||||||||||||||||||||||||||||||||||||||||||||||||||||||||||||||||||||||||||||||||||||||||||||||||||||||||||||||||||||||||||||||||||||||||||||||||||||||||||||||||||||||||||||||||||||||||||||||||||||||||||||||||||||||||||||||||
|
||
![]() |
|
|
|
φ |
Vmax(m/s) |
y |
|
30° |
0.25 |
0.6~0.8(TT) |
注. y值表示全行程TT 的60 ~ 80%(50 ~70%)。

注. 关于挡块的形状,应设计成驱动杆反转时不能碰到另一方的滚珠。
·介绍根据挡块移动量而不是驱动杆角度来设计限位开关行程的方法。
限位开关的合适的行程如下。
合适的行程: PT+{OT规定值×(0.7~1.0)}
用角度来表示则为θ1+θ2。

·对应于合适的行程, 挡块移动量的表示式如下。
挡块的移动量

·从对应于合适的行程的安装基准位置到挡块下端面的尺寸如下式所示。

挡块的表面粗糙度为4▽▽▽(6.3S)左右, 淬火在HV450左右。此外,在驱动杆和挡块的滑动部位涂抹润滑脂
(二硫化钼族) 可以降低磨损, 使得滑动顺滑。(限位开关的防滴型、复合型限位开关等)
维护· 修理时, 设备使用者请不要擅自进行维护· 修理。请和设备(机械) 厂家联系(垂询)。
·开关密封部位的标准规格为耐油性佳的丁腈橡胶(NBR)。根据使用环境中油和药品的种类,
有时这种橡胶会发生膨胀、收缩等劣化现象, 因此请事前确认。
·为了提高接触可靠性, 必须根据负载选择合适的开关。具体请参考个别说明的“微小负载型用的注意事项”。
·加上长摆杆、长棒式摆杆等使用时, 摆杆请向下使用。
·导线的配线请如下图所示的方法进行。

·由于驱动杆使用的是橡胶密封材料,所以当周围温度降低时会引起固化。
因此,如果驱动杆经常处于按下状态,便有可能发生复位延迟或无法复位的情况。
当需要在此环境、用途使用时,请来电垂询。
|
故障 |
故障的主要原因 |
对策 |
|
|
机械故障 |
驱动杆 1)不动作 |
挡块凸轮形状不合适 |
·重新研究挡块凸轮,打磨表面至平滑。 ·重新研究驱动杆是否合适 |
|
挡块凸轮表面粗糙 |
|||
|
驱动杆选择不正确 |
|||
|
驱动杆选择加压方向不正确 |
|||
|
操作速度超过了允许范围 |
|
||
|
行程过长 |
·重新设定行程 |
||
|
低温导致橡胶材料和润滑脂硬化 |
·采用防寒规格产品 |
||
|
泥状异物、切削屑、尘埃的堆积 |
·换为防滴型、保护结构好的产品 ·保护外罩的设置、熔剂的更换,材料更换。 |
||
|
驱动部橡胶材料的溶解、收缩和膨胀 |
|||
|
动作位置偏差很大 |
内部可动弹簧失去弹性、折损 |
·定期进行预防保护 ·使用开关性能高一级的产品。 |
|
|
内部机构的磨损、劣化 |
|||
|
本体安装螺钉的松动、不稳定 |
|||
| 端子部位松动 (模制品中出现了变形) |
焊接作业的长时间加热 |
·加快焊接作业 ·使得导线规格符合通电电流和额定值。 |
|
|
连接粗导线造成过大的拉力 |
|||
|
高温和热冲击 |
·采用高温用开关,更换安装场所 |
||
|
化学、 |
有震颤 |
振动、冲击超过了规定值 |
·安装防震装置 ·对可能成为冲击源的螺线管等进行缓冲 |
|
其他机构零件中产生冲击 |
|||
|
操作速度太慢 |
|||
| 油、水的浸入 |
密封部密封不严 |
·采用防滴型、水密型 ·选择适当的连接器和电缆 |
|
|
连接器的选择不当或与电缆不一致 |
|||
|
开关选择不当 |
|||
|
没有对端子部位进行塑封 |
|||
|
尘埃、油的进入→碳化引起烧坏 |
|||
|
橡胶材料的劣化 |
熔剂、切削油引起膨胀溶解 |
·使用耐油性橡胶材料和聚四氟乙烯波纹管等。 ·安装耐候性橡胶材料和保护盖 |
|
|
直射阳光、臭氧造成的龟裂 |
|||
|
高温的切削屑、尘埃的飞散造成的破损 |
|||
|
腐蚀 (生锈) |
腐蚀性液剂(包括切削油)造成的氧化 |
·更换切削油,改变安装部位 ·换为耐自身裂纹材料 |
|
|
在腐蚀性环境、海岸、船舶中使用 |
|||
|
冷却水·切削油的电离造成的电蚀 |
|||
|
温度循环过高(高湿)、铜合金的自生裂纹 |
|||
|
电气故障 |
无法接通 无法切断 |
直流电路中电感部分过多 |
·附加消除电路 |
|
由于开合生成褐色粉末 |
·使用特殊合金接点、气密型开关 |
||
|
接点迁移造成短路,熔接 |
|
||
|
使用了异种电源造成熔接 |
·修改电路设计 |
||
|
接点部位浸入异物、油 |
·设置保护盒 |
||
Q1:
WL型的单侧动作型和两侧动作型的区别是什么?
A1:
单侧动作(仅限于能够进行单侧动作的型号)指的是操作手柄运动的左右一侧“动作”、另一侧“不动作”。
两侧动作指的是操作手柄运动的左右两侧“动作”。
*能够进行单侧动作的型号的动作切换的方法请参照本文的284页。
Q2:
WL中有带接插件的型号吗?
A2:
有两个型号,直出接插件型和预置线接插件型。

Q3
可以改变传动器的安装位置吗?
A3:
摆杆型的可以改变。
适用机型
滚柱摆杆型
可变滚柱摆杆型
可变负载摆杆型
叉式摆杆锁定型
